AUTRES PRODUITS SUPÉRIEURS
| Yasakawa Motor, chauffeur SG- | Mitsubishi Motor HC-, HA- |
| Westinghouse Modules 1C-, 5X- | Emerson VE-, KJ- |
| Honeywell TC-, TK- | GE Modules IC - |
| Fanuc moteur A0- | Emetteur Yokogawa EJA- |
Fonction
Le 140 ACI 040 00 est un module d'entrée analogique à 16 canaux qui accepte des entrées de courant mixtes.
Illustration
La figure suivante montre le module 140 ACI 040 00 et ses composants. 
1 Numéro de modèle, description du module, code de couleur
2 écrans LED
3 découpes de fusible
Bornier de câblage à 4 champs
5 porte amovible
6 Étiquette d'identification du client (Pliez l'étiquette et placez-la à l'intérieur de la porte)
Remarque: Le bornier de câblage sur site (Modicon # 140 XTS 002 00) doit être commandé séparément. (Le bornier comprend la porte amovible et l'étiquette.)
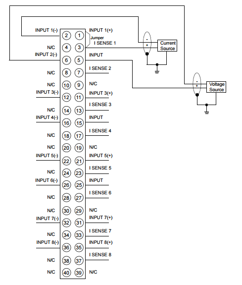
Schéma de câblage du module 140 ACI 040 00. 
Notes sur le schéma de câblage
Les sources actuelles sont fournies par l'utilisateur (la fusion est à la discrétion de l'utilisateur).
Un câble blindé doit être utilisé. Dans les environnements bruyants, un câble blindé torsadé est recommandé. Le câble blindé devrait avoir un bouclier attaché à la terre près du
fin de source de signal.
Les entrées non utilisées peuvent provoquer l'activation de la LED F. Pour éviter cette occurrence, les canaux non utilisés doivent être configurés dans la plage 0 ... 25 mA.
La tension de travail maximale entre le canal et le canal ne peut pas dépasser 30 VDC.
N / C = Non connecté
Lors du câblage sur place du module E / S, la taille de câble maximale à utiliser est de 1 à 14 AWG ou 2 à 16 AWG; la taille minimale est de 20 AWG.
Résolution / conversion
Résolution 0 ... 25 000 comptes
0 ... 20 000 comptes
0 ... 16 000 comptes
0 ... 4 095 comptes
Erreur de précision absolue à 25 degrés C
+/- 0,125% de la pleine échelle
Linéarité (0 à 60 degrés C) +/- 12 microA max., 4 ... 20 mA
+/- 6 microA max., 0 ... 25 mA
+/- 6 microA max., 0 ... 20 mA
+/- 6 microA max., 4 ... 20 mA
Dérive de la précision avec la température Typique: +/- 0,0025% de la pleine échelle / degrés C
Maximum: +/- 0,005% de la pleine échelle / degrés C
Rejet du mode commun -90 dB @ 60 Hz
Filtre d'entrée Passe-bas unipolaire, seuil de coupure -3 dB à 34 Hz, +/- 25%
Temps de mise à jour 15 ms pour tous les canaux 
Paramètres et valeurs par défaut
Nom Valeur par défaut Options Description
Mapping WORD (% IW-3X) -
Entrées Adresse de départ 1 -
Entrées Ending Address 9 -Task
(Grisé si module dans
autre que local)
MAST FAST
AUX0
AUX1
AUX2
AUX3
fixé àMAST si
module dans autre que local
Module_Configuration
Résolution 1.0 Deg 0.1 Deg
Unité de sortie Centigrade Fahrenheit
Type de valeur Valeur brute temporaire
